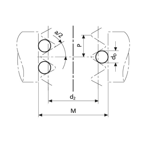
Trục chuẩn ren có gá 4820135

5.971.000 

Hãng sản xuất:
Gọi HotlineZalo ChatFacebook Chat