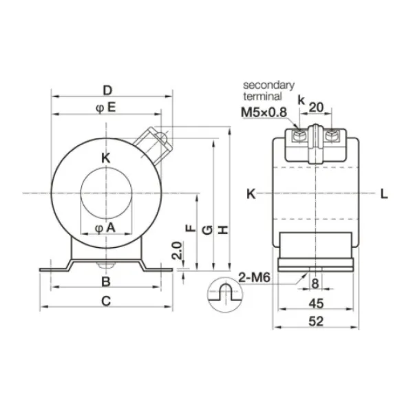
- Kích thước
- Ký hiệu: φ A B C D
- Chiều dài: 23 mm (0.91 in), 70 mm (2.76 in), 85 mm (3.35 in), 68 mm (2.68 in)
- Ký hiệu: φ E F G H
- Chiều dài: 60 mm (2.36 in), 45 mm (1.77 in), 75 mm (2.95 in), 83 mm (3.27 in)
- Sơ cấp: 100 A
- Thứ cấp: 5 A
- Tải trọng định mức: 5 VA
- Cấp: 1.0%
- Điện áp định mức tối đa: 1150 V






Đánh giá
Chưa có đánh giá nào.