
Đồng hồ so cơ khí loại tiêu chuẩn Peacock 56
- Được sử dụng phổ biến trong các nhà máy
- Cơ chế chống sốc
- Có gioăng chống nước và chống bụi
- Có gá lưng
- Độ chia: 0.005 mm
- Dải đo: 5 mm
- Mặt đồng hồ: 0-25-50
- Sai số 1/10 vòng đo: 5 μm
- Sai số 1/2 vòng đo: 9 μm
- Sai số 1 vòng đo: 12 μm
- Sai số toàn dải đo: 10 μm
- Sai số đường hồi: 3 μm
- Độ lặp lại: 3 μm
- Lực đo dưới 1.5 N
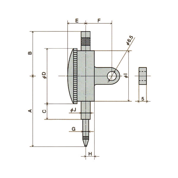
- Kích thước: A=62 mm; B=44.5 mm; C=17 mm; D=57 mm; E=17 mm; F=19.5 mm; G=4.5 mm; H=6.5 mm; I=52 mm; J=8 mm

Đánh giá
Chưa có đánh giá nào.