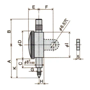
Trục chuẩn ren có gá 4820142

5.700.000 

Hãng sản xuất:
Gọi HotlineZalo ChatFacebook Chat