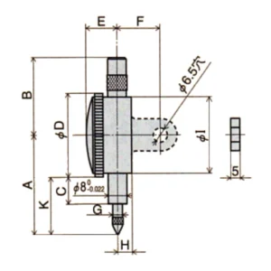
Trục chuẩn ren có gá 4820021

5.971.000 

Hãng sản xuất:
Gọi HotlineZalo ChatFacebook Chat